YAY AYAR CİVATASI
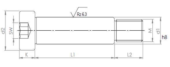
| M | M | M5 | M6 | M8 | M10 | M12 | M16 | M20 |
|---|---|---|---|---|---|---|---|---|
| d1 (h8) | d1 (h8) | Ø 6 | Ø 8 | Ø 10 | Ø 12 | Ø 16 | Ø 20 | Ø 24 |
| L1 | ● | |||||||
| L1 | ● | ● | ● | ● | ||||
| L1 | ● | ● | ● | ● | ||||
| L1 | ● | ● | ● | ● | ||||
| L1 | ● | ● | ● | ● | ||||
| L1 | ● | ● | ● | ● | ||||
| L1 | ● | ● | ● | ● | ● | |||
| L1 | ● | ● | ● | ● | ● | |||
| L1 | ● | ● | ● | ● | ● | ● | ||
| L1 | ● | ● | ● | ● | ● | ● | ||
| L1 | ● | ● | ● | ● | ● | ● | ● | |
| L1 | ● | ● | ● | ● | ● | ● | ||
| L1 | ● | ● | ● | ● | ● | ● | ||
| L1 | ● | ● | ● | ● | ● | ● | ||
| L1 | ● | ● | ● | ● | ● | ● | ||
| L1 | ● | ● | ● | ● | ● | ● | ||
| L1 | ● | ● | ● | ● | ● | |||
| L1 | ● | ● | ● | ● | ● | |||
| L1 | ● | ● | ● | ● | ● | |||
| . | L2 | D2 | K | SW |
|---|---|---|---|---|
| M5 | 9.5 | 10 | 4.5 | 3 |
| M6 | 11 | 13 | 5.5 | 4 |
| M8 | 13 | 16 | 7 | 5 |
| M10 | 16 | 18 | 9 | 6 |
| M12 | 18 | 24 | 11 | 8 |
| M16 | 22 | 30 | 14 | 10 |
| M20 | 27 | 35 | 16 | 12 |

